|
产品概述
气动蝶阀三偏芯型采用三维偏心多层次金属密封结构,无机械磨损,可达到零泄漏,有优良的双向密封功能,是用于石油、化工、冶金、电力、食品、医药、给排水、气体输送等不同介质的管路上作调节流量、截断或接通流体的最佳装置。选用不同的材质,可分别适用于水、污水、海水、空气、蒸汽、煤气、可燃气体、腐蚀性介质、油品及食品等介质,最高工作温度可达600℃。
产品特点
1.气动蝶阀操作力矩小,是所有阀类中操作力矩最小的一种,启闭迅速,以压缩空气为动力,通过活塞齿条,齿轮的机械传动阀杆,以角行程输出的扭矩转动阀板0~90º,就能快速的完成启闭动作,结构简单、体积小、重量轻、流阻小、流量系数大,密封性能好。调节范围大。是自动化控制系统中仪表的执行单元;
2.采用电-气阀门定位器,以电信号和压缩空气为动力,接受控制系统输入的0-10mA •DC或4-20mA •DC电流信号,由调节器将压缩空气,转换成气源压力信号输入输出,改变阀板的旋转角度(0-90º任意角度),具有较好的调节控制流量等参数。
3.采用电磁换向阀、阀位回讯器,以AC220V或DC24V电源电压和压缩空气作动力,实现对流体介质的快速二位切断控制。
4.GT型、AT型或AW型气动执行机构采用活塞式气缸及曲臂转换结构,输出力矩大,体积精小,采用全密封防水设计防护等级高。气缸体采用镜面气缸,无油润滑,磨擦系数小、耐腐蚀、具有超强的耐用性及可靠性。所有传动轴承均采用边界自润滑轴承无油润滑,确保传动轴不摩损。
产品形式
|
产品名称 |
电动蝶阀(电动调节蝶阀) |
|
作用形式 |
开关型 调节型 |
|
连接形式 |
法兰式 对夹式 对焊式 |
|
结构形式 |
三维偏芯型 |
|
多层次结构 |
弹性座结构 |
|
阀座密封形式 |
软质密封、硬质合金密封 |
软质密封、硬质合金密封 |
三偏心结构:阀杆轴线与蝶板密封面间偏置一个尺寸A,并与阀体通道轴线偏置一个尺寸B,阀座回转轴线与阀体通道轴线形成一个偏心角α,故形成三偏心。蝶阀从0°~90°开启时,蝶板密封面会在开启的瞬间立即脱离阀座密封面,在其90°~0°关闭时,只有在关闭的瞬间,其蝶板圆锥形密封面才会接触并压紧阀座圆锥形密封。所以阀座与蝶板上的密封面之间无任何摩擦,去除了磨损和泄漏的可能性。]
扭矩密封:三偏心的结构使蝶阀关闭时,其密封副两密封面之间的密封比压由外加于阀杆的驱动力矩产生。不仅消除了常规弹性阀座弹性材料老化、冷流、弹性失效等因素造成的密封比压降低和消失,而且可以通过外加驱动力矩的改变,实现对其密封比压的任意调整,从而使三偏心蝶阀的密封性能改善,蝶阀的使用寿命也大大提高。 软硬层叠式金属密封结构:蝶板密封圈采用软硬层叠式不锈钢片和柔性石墨板的密封面,使其具有金属硬密封和弹性密封的双重优点,无论在低温和高温工况下均具有优良的密封性能。 双向密封:因密封面锥角小于密封材料的磨擦角,蝶板关到密封位置时立即实现自锁,并能承受一定的反向压力冲击。 防火结构:全金属结构本身具有火灾安全的特性。 阀体密封面:采用堆焊硬质合金或不锈钢,使得密封面强度高、硬度好、耐磨损,可连续启闭60000次以上而无损伤。 密封圈:密封圈由压板夹在蝶板上,易于安装、调节和更换。 阀杆的上、下部位装有轴套,防止磨损和粘连,提高了使用寿命。 该产品操作灵活、省力、方便、可靠,连接方式有法兰、对夹、对焊、凸耳对夹。既可截断介质,也可任意调节介质流量。
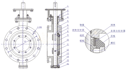
1、支架 2、填料压板 3、填料压套 4、填料 5、上轴套 6、阀体 7、密封圈 8、压板 9、蝶板 10、阀杆 11、圆柱销 12、阀体密封面 13、下轴套 14、对开环 15、密封垫 16、下压盖
主要零件材料及适用温度
1. 多层次、弹性结构蝶阀
|
公称通径mm |
DN50-DN2000 |
|
材料代号 |
C(WCB) |
P(304) |
R(316) |
|
主要零件 |
阀体 |
WCB |
ZG1Cr18Ni9Ti |
ZG1Cr18Ni12Mo2Ti |
|
阀板 |
WCB或2Cr13 |
1Cr18Ni9Ti |
1Cr18Ni12MoTi |
|
阀杆 |
2Cr13 |
1Cr18Ni9Ti |
1Cr18Ni12MoTi |
|
阀座密封 |
不锈钢、硬质合金钢密封 |
|
阀板密封 |
增强聚四氟乙烯 、对位聚苯 、各种橡胶、不锈钢 |
|
填料 |
聚四氟乙烯 、柔性石墨 |
|
适用工况 |
适用介质 |
蒸汽、水、油品 |
硝酸碱类腐蚀性介质 |
醋酸类腐蚀性介质 |
|
适用温度 |
聚四氟乙烯≤180℃,对位聚苯≤300℃,金属密封≤425℃ |
主要技术参数和性能指标
|
公称通径D(mm) |
40 |
50 |
65 |
80 |
100 |
125 |
150 |
200 |
250 |
300 |
350 |
400 |
450 |
500 |
600 |
700 |
|
公称压力PN(MPa) |
0.6、1.0、1.6、2.5 |
|
流量特性 |
近似等百分比(参见典型曲线图)、直线特性、快开性 |
|
阀板转角(度) |
0°~90°(可调) |
|
允许泄漏量 |
软密封:O泄漏 硬密封:≤额定Cv×0.001% |
软密封:VI微气泡级,硬密封:≤额定CV×0.065% |
|
允许压差 |
≤公称压力值 |
|
作用形式 |
双作用/单作用(弹簧复位式) |
|
控制型式 |
二位切断型/调节型 |
|
执行器 |
型 号 |
DA、GTD/GTE系列、AW/AWS系列、ZSQ系列等 |
|
气源压力 |
净化压缩空气(氮气)0.3-0.7MPa |
|
调节型 |
输入信号 |
电流信号:0~10mA、4~10mA 气源信号20~100kPa |
|
基本误差 |
带定位器≤±1.5% |
|
回 差 |
带定位器≤1.5% |
|
死 区 |
带定位器≤0.6% |
|
可调节比 |
250:1 |
|
切断型 |
回讯电压 |
AC220V、AC110V、DC24V、 |
|
切断时间 |
1-2S |
3-5S |
7-18S |
20-30S |
附件的选用(根据不同控制和要求可选择下列附件): 切断型附件:单电控电磁阀、双电控电磁阀、限位开关回讯器。 调节型附件:电气定位器、气动定位器、电气转换器。 气源处理附件:空气过滤减压阀、气源处理三联件
手动机构:手操机构
外形尺寸
法兰式连接 对夹式连接
三偏芯型多层次、弹性结构,连接尺寸表
|
通径 |
对夹式 |
法兰式 |
H |
对夹式 |
法兰式 |
PN1.0 |
PN1.6 |
PN2.5 |
|
短L |
长L |
短L |
长L |
H2 |
A2 |
H2 |
A2 |
D |
D1 |
Z-d |
D |
D1 |
Z-d |
D |
D1 |
Z-d |
|
40 |
43 |
|
|
|
|
|
|
|
|
|
|
|
|
|
|
|
|
|
|
50 |
43 |
|
108 |
150 |
112 |
625 |
245 |
625 |
245 |
165 |
125 |
4-18 |
165 |
125 |
4-18 |
165 |
125 |
4-18 |
|
65 |
46 |
|
112 |
170 |
115 |
625 |
245 |
625 |
245 |
185 |
145 |
4-18 |
185 |
145 |
4-18 |
185 |
145 |
8-18 |
|
80 |
49 |
64 |
114 |
180 |
120 |
645 |
245 |
645 |
245 |
200 |
160 |
8-18 |
200 |
160 |
8-18 |
200 |
160 |
8-18 |
|
100 |
56 |
64 |
127 |
190 |
138 |
675 |
355 |
675 |
355 |
220 |
180 |
8-18 |
220 |
180 |
8-18 |
235 |
190 |
8-22 |
|
125 |
64 |
70 |
140 |
200 |
164 |
715 |
355 |
715 |
355 |
250 |
210 |
8-18 |
250 |
210 |
8-18 |
270 |
220 |
8-26 |
|
150 |
70 |
76 |
140 |
210 |
175 |
800 |
355 |
800 |
355 |
285 |
240 |
8-22 |
285 |
240 |
8-22 |
300 |
250 |
8-26 |
|
200 |
71 |
89 |
152 |
230 |
215 |
850 |
250 |
850 |
250 |
340 |
295 |
8-22 |
340 |
295 |
12-22 |
360 |
310 |
12-26 |
|
250 |
76 |
114 |
165 |
250 |
243 |
925 |
250 |
925 |
250 |
395 |
350 |
12-22 |
405 |
355 |
12-26 |
425 |
370 |
12-30 |
|
300 |
83 |
114 |
178 |
270 |
285 |
1035 |
450 |
1035 |
450 |
445 |
400 |
12-22 |
460 |
410 |
12-26 |
485 |
430 |
16-30 |
|
350 |
92 |
127 |
190 |
290 |
320 |
1070 |
450 |
1070 |
450 |
505 |
460 |
16-22 |
520 |
470 |
16-26 |
555 |
490 |
16-33 |
|
400 |
102 |
140 |
216 |
310 |
350 |
1190 |
450 |
1190 |
450 |
565 |
515 |
16-26 |
580 |
525 |
16-30 |
620 |
550 |
16-36 |
|
450 |
114 |
152 |
222 |
330 |
350 |
1250 |
650 |
1250 |
650 |
615 |
565 |
20-26 |
640 |
585 |
20-30 |
670 |
600 |
20-36 |
|
500 |
127 |
152 |
229 |
350 |
380 |
1290 |
650 |
1290 |
650 |
670 |
620 |
20-26 |
715 |
650 |
20-33 |
730 |
660 |
20-36 |
|
600 |
154 |
178 |
267 |
390 |
435 |
1455 |
850 |
1455 |
850 |
780 |
725 |
20-30 |
840 |
770 |
20-36 |
845 |
770 |
20-39 |
|
700 |
165 |
229 |
292 |
430 |
480 |
1585 |
850 |
1585 |
850 |
895 |
840 |
24-30 |
910 |
840 |
24-36 |
960 |
875 |
24-42 |
|
800 |
190 |
241 |
318 |
470 |
530 |
1700 |
1250 |
1700 |
1250 |
1015 |
950 |
24-33 |
1025 |
950 |
24-39 |
1085 |
990 |
24-48 |
|
900 |
203 |
241 |
330 |
510 |
595 |
1965 |
1250 |
1965 |
1250 |
1115 |
1050 |
28-33 |
1125 |
1050 |
28-39 |
1185 |
1090 |
28-48 |
|
1000 |
216 |
300 |
410 |
550 |
650 |
2015 |
1250 |
2015 |
1250 |
1230 |
1160 |
28-36 |
1255 |
1170 |
28-42 |
1320 |
1210 |
28-56 | |